ESP01M Reset & Teardown (FCC ID 2AHMR-ESP01M)
Factory reset and internal photos for Tuya OEM ESP01M. Tuya / Smart Life smart plug.
Before you buy the Tuya OEM ESP01M, check what's inside.
The ESP01M is a compact WiFi module based on the ESP8285 chip, designed for integration into OEM products. It's ideal for adding smart connectivity to devices, allowing them to be controlled via WiFi through platforms like Tuya/Smart Life.
⚠️ NOTE: As this is a module designed for OEM integration, it requires professional installation and integration into a suitable enclosure. Ensure all mains voltage connections are properly insulated and protected according to local electrical codes.
Quick Specs
- Manufacturer: Tuya OEM
- Model: ESP01M
- Protocol: WiFi
- Chipset: ESP8266
- Ecosystem: Tuya / Smart Life
- App: Smart Life
🔧 Geek Corner (Flashing Info)
- Chipset: ESP8285
- Flashable: ✅ Yes
- Info: The ESP8285 chip is known to be flashable with custom firmware like Tasmota or ESPHome.
User Manual
Scanned pages from the official user manual:










External Photos
Photos of the device exterior:



Internal Photos
Teardown photos showing the PCB and components:

Verdict
The ESP01M is a WiFi device from the Tuya / Smart Life ecosystem.
📄 Click to view full text manual (SEO)
ESP-01/07/12 Series Modules User's Manual
Version 1.1
Ai-Thinker Inc
Copyright (c) 2017
Ai-Thinker
ESP-01/07/12 Series Modules User's Manual V1.1
FCC STATEMENT
This device complies with Part 15 of the FCC Rules. Operation is subject to the following
two conditions:
(1) This device may not cause harmful interference.
(2) This device must accept any interference received, including interference that may
cause undesired operation.
Any changes or modifications not expressly approved by the party responsible for
compliance could void the user’s authority to operate the equipment.
Please notice that if the FCC identification number is not visible when the module is
installed inside another device, then the outside of the device into which the module is installed
must also display a label referring to the enclosed module. This exterior label can use wording
such as the following: “Contains FCC ID:2AHMR-ESP01M” or “Contains FCC ID:2AHMR-ESP07S”
or “Contains FCC ID:2AHMR-ESP12S” or “Contains FCC ID:2AHMR-ESP12F” any similar wording
that expresses the same meaning may be used.
This equipment complies with FCC radiation exposure limits set forth for an uncontrolled
environment.This equipment should be installed and operated with a minimum distance of
20cm between the radiator & your body. This transmitter must not be co-located or operating in
conjunction with any other antenna or transmitter.
CE Mark Warning
The module is limited to OEM installation ONLY.
The OEM integrator is responsible for ensuring that the end-user has no manual instruction
to remove or install module.
The module is limited to installation in mobile application;
A separate approval is required for all other operating configurations, including portable
configurations with respect to Part 2.1093 and difference antenna configurations.
There is requirement that the grantee provide guidance to the host manufacturer for
compliance with Part 15B requirements.
Ai-Thinker
ESP-01/07/12 Series Modules User's Manual V1.1
Revision Record
Date Version Author Release Notes
2017.7.1 V1.0 Wang Chong First Version
2017.9.4 V1.1 Wang Chong Add ESP-01M, Delete ESP-12E
Ai-Thinker
ESP-01/07/12 Series Modules User's Manual V1.1
Table Of Contents
1 Product Overview....................................................................................................1
1.1 Product Features.......................................................................................... 1
1.2 Application Plan.......................................................................................... 1
2 Module Interface..................................................................................................... 2
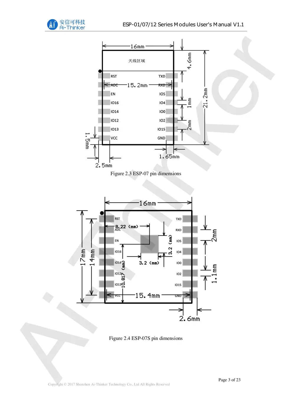
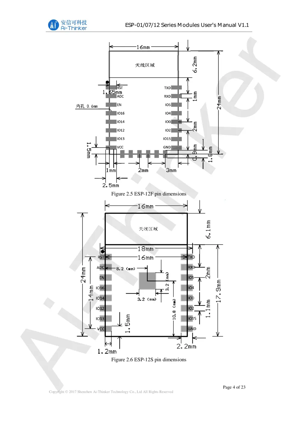
2.1 Package Size................................................................................................ 2
2.1 Pin Definition...............................................................................................5
2.2 Boot Mode.....................................................................